江苏腾嘉测控技术有限公司
Jiangsu tengjia measurement and control technology co. LTD
400-998-9770

V锥流量计

浏览次数:8265
TJLBD锥流量计利用一流线型圆锥体悬挂在管道中心将流体逐渐收缩到管道内壁,这种新颖的节流效应使其具有自整流、自清洗、自保护特性.适用于液体、气体(包括天然气)、蒸汽 测量。
400-998-9770

工程师一对一服务
商品详情
技术选型
经典案例
售后承诺
联系我们

 

  V锥流量传感器及流量计是我公司采用国外技术设计生产的一种新型流量测量装置,其基本原理也是差压式,但突破了传统差压式流量计的许多局限性,利用同轴安装在管道中的节流体,所不同的是,普通节流装置的最小流通截面为圆形,而V锥流量传感器及流量计的最小流通截面为环形。当流体流经悬挂在管道端达到最大,在V锥的游处形成一个低压端,从而在V锥前后产生差压,通过对差压的测量达到对流量的测量。

更宽流量测量范围

由于V锥流量传感器及流量地独特的结构,使得在低流速时,依然能产生足够分辨的差压,使得差压的量程下限比传统差压仪表低,量程得以向下限扩展,可达到151

很高的重复性、测量数度

重复性优于±0.1%;测量精度优于±0.5%

短的直管段要求

一般上游0-3D,下游0-1DV锥流量计的上游侧如装有阀门,流量计与阀门之前的距离应保证3D

很小的压损

由于V锥流量传感器及流量计体的出口边缘不是锐利的缘故,同是流体的压力变化是平缓的,因而由摩擦所产生旋涡带来的压力损失会更小。

一体化结构设计 

V锥流量计把节流件、传感器、智能电路、显示器、通信单元组成一体,安装时用户只需焊接配对法兰即可,取消了传统差压流量计的引压管路简化了安装,减少了安装时间和费用,减少了泄漏和维护量,方便用户使用

 

1、介质名称

2、管道内外径 (mm)

3、选用V锥流量传感的形式

4、流量单位(kg/h,t/h,m3/h,Nm3/h)

5、常用流量、最小流量、最大流量、刻度流量

6、介质为气体标准状态时,应该说明 0℃标况或20℃标况。

7、工作压力(MPa):a、绝对压力 b、表压力

8、流体温度(℃):最高、最低、常用的温度

9、流体密度(kg/m3或kg/Nm3)

10、流体粘度(mPa.s)

11、相对温度

12、气体成分容积百分比(用于二种以上的混合气体)

13、管道装置a、水平 b、自下而上

14、管道法兰a、按法兰标准规范,代号为提供法兰标准及型号 b、乙方提供图纸

注意:

测量水和水蒸气须提供(1)、(2)、(4)、(5)、(7)、(8)、(13)、(14)

测量一般气体须提供(1)~(14)

测量一般溶液及油类须提供(1)、(2)、(4)、(5)、(7)、(8)、(9)、(10)、(13)、(14)

各项数据必须填写工艺设计的一个具体数值,请勿填写由大约多少的某一段范围

自带附件

引压管、连接法兰、导管

可选附件

冷凝器、承插焊闸阀、三阀组、针型截止阀

可选相关商品

压力变送器、温度变送器、流量计积算仪、智能差压变送器

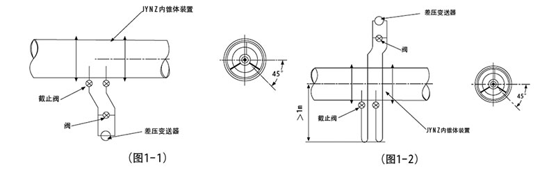
1)测量液体流量

a)差压变送器最好安装在内锥体装置的下方(图1.1),这样可以避免液体中气 体进入导压管和变送器中。

b)如果变送器不得不安装在内锥体装置的上方(图1.2),为了减少液体中的气 体进入导压管内,应在内锥体装置和导压管之间装U型弯管,且弯头下端至少   低于管道中心1米。

c)在水平或倾斜的管道上,如果将导压管装在内锥体装置的上半部,这样在导 压管内会积聚气体,如果装在内锥体装置的下半部,会使沉积物落入导压管   内。因此,导压管应自内锥体装置的水平中心线两端引出,或自水平向下小   于45度引出。

2)测量蒸汽流量

a)为了保证变送器不受蒸汽高温的影响,在变送器和内锥体装置之间必须安装 两个位于同一个高度的冷凝器,并在冷凝器、导压管和高、低压室内充满冷   凝水,避免高温对变送器的影响。

b)差压变送器最好安装在内锥体装置的下方(图2.1),这样可以避免气体进入 导压管和变送器中。冷凝器应安装在尽量靠近内锥体装置处。

c)如果差压变送器不得不安装在内锥体装置的上方(图2.2),应把冷凝器装在 高于差压变送器的地方。

d)上述两种安装方法均在靠近变送器的地方装有阀,以供吹洗导压管。同时在 内锥体装置和次凝器之间的导压管上应加保温层。

产品质量承诺

1. 严格按合同要求,提供符合设计标准,质量合格的产品。

2. 严格检查和控制原材料、原器件、配套件的进厂质量。

3. 作为设备总承包单位,对用户负全面质量责任,组织各协作配套生 产单位,联保设备整体质量,保证按合同完成任务。

4. 按合同规定向监造单位提供有关标准和图纸,并为监造提供方便。

5. 对设备制造过程中出现的质量缺陷及时向需方和监造代表通报,不 隐瞒,若设备缺陷超过合同规定的标准,供方无条件返修或更换。在安装和 试运过程中,设备出现质量问题,先处理问题,再分清责任,一切以满足工 程进度需要为准则。

技术服务承诺

1. 及时向需方提供按合同规定的全部技术资料和图纸,有义务在必要时邀请需方参与供方的技术设计审查 www.copyprot.com

2. 按需方要求的时间到现场进行技术服务best replica watches ,指导需方按供方的技术资料和图纸要求进行安装、分部与整套试运及试生产。

3. 对于需方选购的与合同设备有关的配套设备,供方应主动提供满足设备接口要求的技术条件和资料。

4. 按合同规定为需方举办有关设备安装、调试、使用、维护技术的业务培训班。加强售前、售中、售后服务,把”24 小时服务”,“超前服务”、“全过程服务”、终身服务“贯彻在产品制造、安装、调试、大修的全过程。接到需方反映质量问题信息,在 24 小时内作为答复或派出服务人员,尽快到达现场,做到用户不满意,服务不停止,24 小时服务热线:18015147885

 

 

 

 

江苏腾嘉测控技术有限公司

Jiangsu tengjia measurement and control technology co. LTD 

地  址:江苏省淮安市金湖县金北街道工业集中区二桥北路西侧21-23号

客服电话:400-998-9770

24小时服务热线:18015147885

  箱:56604841@qq.com