江苏腾嘉测控技术有限公司
Jiangsu tengjia measurement and control technology co. LTD
400-998-9770

电容式负压变送器

浏览次数:7529
TJ3051差压变送器体积小、重量轻、精度高,量程可调范围大,而且带有正、负迁移结构,采用4~40mA DC标准电流信号输出,二线制工作,带负载、抗干扰能力强。
400-998-9770

工程师一对一服务
商品详情
技术选型
经典案例
售后承诺
联系我们

  电容式负压变送器及远传差压变送器是差压变送器中的新产品。广泛用于石油、化工、冶金、电力、轻工、建材、科研等企事业单位,实现对各种流体压力的测量,配用节流装置可检测液体、汽体和蒸汽,以及粘性、沉淀性或易产生结晶颗粒的流体的流量,也可以检测差压,表压和分界面,还可以检测开口容器或受压容器内液体的液位。

体积小、重量轻。因为它零部件少,结构简单,而且差压、位移、电容信号的变换连接在一起,大大压缩了体积,减小了重量。

精度高,由于无机械传动和磨擦,而且电容值相对变化量较大,所以精度容易做得高。

可靠性好。由于可动件少,测量部件为全封闭焊接的固体结构,电子元器件经过严格的老化筛选,并采用特珠的接插体,从而大大提高了变送器的可靠性。

量程可调范围大,而且带有正、负迁移结构。量程可调范围大于6:1,量程零点外部连接可调。

过载性能好。传感器内部采用了结构简单、性能可靠的凹弧面过载保护结构。

具有可调阻尼装置,可以用于脉动流体的测量。

变送器可以附加100%指针、LCD液晶、LED数码管显示,现场读数十分方便。 

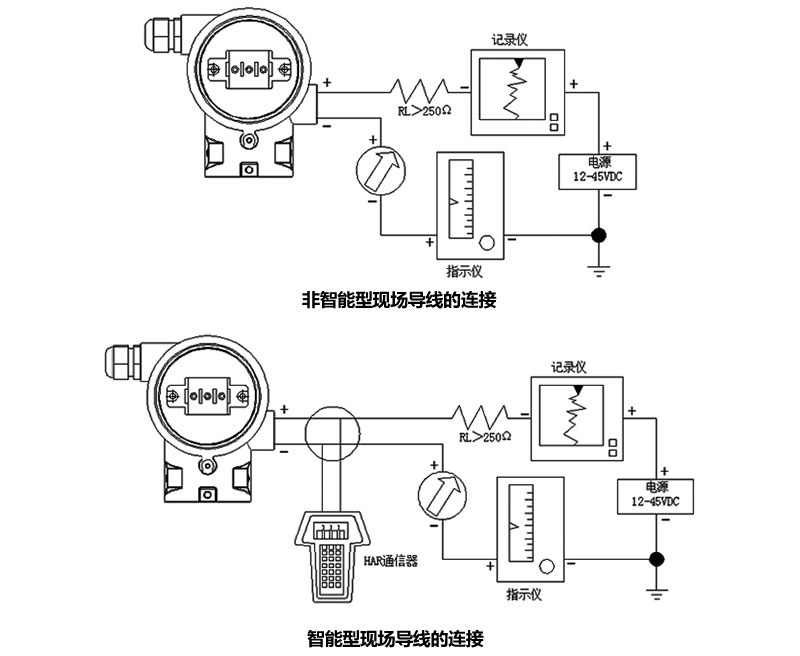
变送器采用4~40mA DC标准电流信号输出,二线制工作,带负载、抗干扰能力强。

 

1.防止变送器与腐蚀性或过热的补测介质相接触

2.要防止渣滓在导压管内沉积

3.导压管要尽可能短一些

4.两边导压管内的液柱压头应保持平衡

5.导压管应安装在温度梯度和温度波动小的地方

6.防止引压管内结晶或低温结冰

7.请勿将排气/排液阀全部拧开,以免密封钢珠掉落 

产品质量承诺

1. 严格按合同要求,提供符合设计标准,质量合格的产品。

2. 严格检查和控制原材料、原器件、配套件的进厂质量。

3. 作为设备总承包单位,对用户负全面质量责任,组织各协作配套生 产单位,联保设备整体质量,保证按合同完成任务。

4. 按合同规定向监造单位提供有关标准和图纸,并为监造提供方便。

5. 对设备制造过程中出现的质量缺陷及时向需方和监造代表通报,不 隐瞒,若设备缺陷超过合同规定的标准,供方无条件返修或更换。在安装和 试运过程中,设备出现质量问题,先处理问题,再分清责任,一切以满足工 程进度需要为准则。

技术服务承诺

1. 及时向需方提供按合同规定的全部技术资料和图纸,有义务在必要时邀请需方参与供方的技术设计审查 www.copyprot.com

2. 按需方要求的时间到现场进行技术服务best replica watches ,指导需方按供方的技术资料和图纸要求进行安装、分部与整套试运及试生产。

3. 对于需方选购的与合同设备有关的配套设备,供方应主动提供满足设备接口要求的技术条件和资料。

4. 按合同规定为需方举办有关设备安装、调试、使用、维护技术的业务培训班。加强售前、售中、售后服务,把”24 小时服务”,“超前服务”、“全过程服务”、终身服务“贯彻在产品制造、安装、调试、大修的全过程。接到需方反映质量问题信息,在 24 小时内作为答复或派出服务人员,尽快到达现场,做到用户不满意,服务不停止,24 小时服务热线:18015147885

 

 

 

 

江苏腾嘉测控技术有限公司

Jiangsu tengjia measurement and control technology co. LTD 

地  址:江苏省淮安市金湖县金北街道工业集中区二桥北路西侧21-23号

客服电话:400-998-9770

24小时服务热线:18015147885

  箱:56604841@qq.com