江苏腾嘉测控技术有限公司
Jiangsu tengjia measurement and control technology co. LTD
400-998-9770

不锈钢压力表

浏览次数:5777
TJ-Y系列不锈钢压力表广泛用于石油、化工、化纤、冶金、 电站等工业部门对耐腐、抗振有要求较高的工艺流程 中测量各种流体介质的压力。
400-998-9770

工程师一对一服务
商品详情
技术选型
经典案例
售后承诺
联系我们

  不锈钢压力表采用直接接触式接头和感压元件材料,采用icr18Ni9T、Ocr18Ni12Mo2Ti、 sus316,结构为全密封型,不锈钢压力表具有较强的防被测介质腐蚀和抗环境腐蚀的能力。不锈钢压力表适用于腐蚀性较强的适合不锈钢元件检测的介质和恶劣的外部腐蚀环境中 ,不锈钢压力表广泛应用于石油、化工、冶金等工业。

径向全不锈钢压力表精度 ±2.0%

表壳尺寸 100mm(4.25英寸)

表壳材质 304不锈钢

表壳形式 安全壳构造,隔板装置后释放

及接体 316不锈钢管同316不锈钢接体氩弧焊接

机芯 316不锈钢

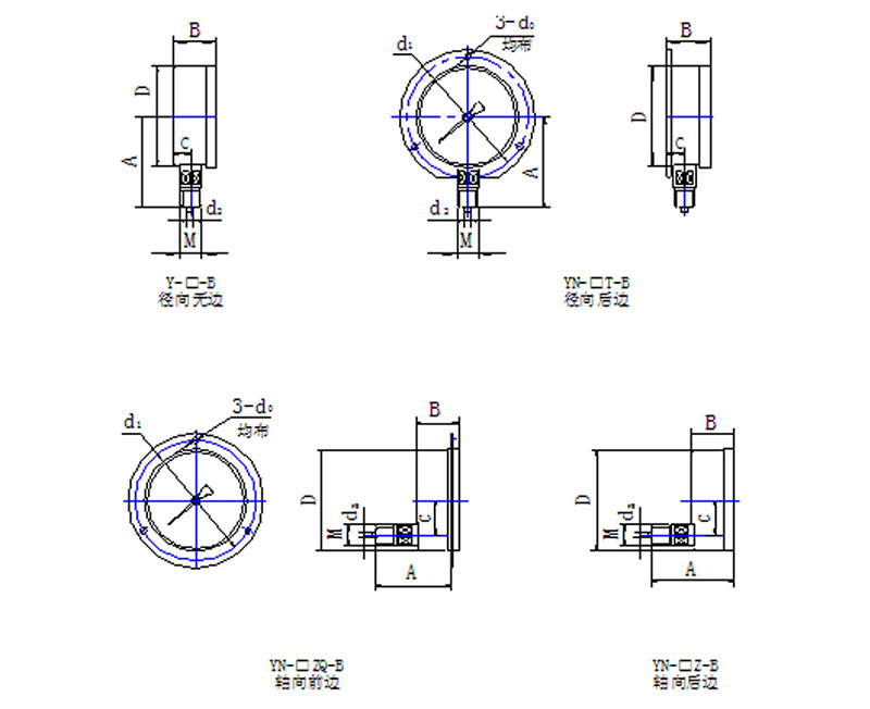
连接形式 M20×1.5 或 1/2 NPT 底部连接,或背部连接(径向全不锈钢压力表/轴向全不锈钢压力表)

测量范围 0.1~0 MPa,0.1~100MPa,160MPa,350MPa

指针 普通

表玻璃 有机玻璃、安全型双层玻璃全不锈钢压力表

充填材质 甘油98%(可选择硅油、氟油或其它类别)

防护等级 IP 65

温度环境及工作介质温度不应超过:

充液型径向全不锈钢压力表 0~140℉;

普通型径向全不锈钢压力表 46~145℉ 

 

 

 

产品质量承诺

1. 严格按合同要求,提供符合设计标准,质量合格的产品。

2. 严格检查和控制原材料、原器件、配套件的进厂质量。

3. 作为设备总承包单位,对用户负全面质量责任,组织各协作配套生 产单位,联保设备整体质量,保证按合同完成任务。

4. 按合同规定向监造单位提供有关标准和图纸,并为监造提供方便。

5. 对设备制造过程中出现的质量缺陷及时向需方和监造代表通报,不 隐瞒,若设备缺陷超过合同规定的标准,供方无条件返修或更换。在安装和 试运过程中,设备出现质量问题,先处理问题,再分清责任,一切以满足工 程进度需要为准则。

技术服务承诺

1. 及时向需方提供按合同规定的全部技术资料和图纸,有义务在必要时邀请需方参与供方的技术设计审查 www.copyprot.com

2. 按需方要求的时间到现场进行技术服务best replica watches ,指导需方按供方的技术资料和图纸要求进行安装、分部与整套试运及试生产。

3. 对于需方选购的与合同设备有关的配套设备,供方应主动提供满足设备接口要求的技术条件和资料。

4. 按合同规定为需方举办有关设备安装、调试、使用、维护技术的业务培训班。加强售前、售中、售后服务,把”24 小时服务”,“超前服务”、“全过程服务”、终身服务“贯彻在产品制造、安装、调试、大修的全过程。接到需方反映质量问题信息,在 24 小时内作为答复或派出服务人员,尽快到达现场,做到用户不满意,服务不停止,24 小时服务热线:18015147885

 

 

 

 

江苏腾嘉测控技术有限公司

Jiangsu tengjia measurement and control technology co. LTD 

地  址:江苏省淮安市金湖县金北街道工业集中区二桥北路西侧21-23号

客服电话:400-998-9770

24小时服务热线:18015147885

  箱:56604841@qq.com