江苏腾嘉测控技术有限公司
Jiangsu tengjia measurement and control technology co. LTD
400-998-9770

不锈钢隔膜压力表

浏览次数:5448
TJ-YTP系列膜片压力表适用于测量有一定腐蚀性、粘稠介质和非结晶或非凝固的各种流体介质的压力或负压。可根据测量介质对耐腐蚀性能的不同要求而选用不同材料的膜片。
400-998-9770

工程师一对一服务
商品详情
技术选型
经典案例
售后承诺
联系我们

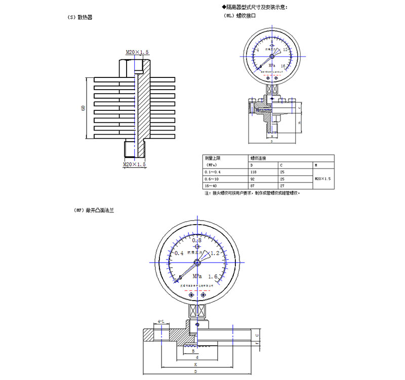
  隔膜压力由隔膜隔离器与通用型压力仪表组成一个系统的隔膜表。隔膜压力表与设备连接方式主要有螺纹连接和法兰连接及卫生卡箍式等。表适用于测量强腐蚀、高温、高粘度、易结晶、易凝固、有固体浮游物的介质压力以及必须避免测量介质直接进入通用型压力仪表和防止沉淀物积聚且易清洗的场合。 

产品质量承诺

1. 严格按合同要求,提供符合设计标准,质量合格的产品。

2. 严格检查和控制原材料、原器件、配套件的进厂质量。

3. 作为设备总承包单位,对用户负全面质量责任,组织各协作配套生 产单位,联保设备整体质量,保证按合同完成任务。

4. 按合同规定向监造单位提供有关标准和图纸,并为监造提供方便。

5. 对设备制造过程中出现的质量缺陷及时向需方和监造代表通报,不 隐瞒,若设备缺陷超过合同规定的标准,供方无条件返修或更换。在安装和 试运过程中,设备出现质量问题,先处理问题,再分清责任,一切以满足工 程进度需要为准则。

技术服务承诺

1. 及时向需方提供按合同规定的全部技术资料和图纸,有义务在必要时邀请需方参与供方的技术设计审查 www.copyprot.com

2. 按需方要求的时间到现场进行技术服务best replica watches ,指导需方按供方的技术资料和图纸要求进行安装、分部与整套试运及试生产。

3. 对于需方选购的与合同设备有关的配套设备,供方应主动提供满足设备接口要求的技术条件和资料。

4. 按合同规定为需方举办有关设备安装、调试、使用、维护技术的业务培训班。加强售前、售中、售后服务,把”24 小时服务”,“超前服务”、“全过程服务”、终身服务“贯彻在产品制造、安装、调试、大修的全过程。接到需方反映质量问题信息,在 24 小时内作为答复或派出服务人员,尽快到达现场,做到用户不满意,服务不停止,24 小时服务热线:18015147885

 

 

 

 

江苏腾嘉测控技术有限公司

Jiangsu tengjia measurement and control technology co. LTD 

地  址:江苏省淮安市金湖县金北街道工业集中区二桥北路西侧21-23号

客服电话:400-998-9770

24小时服务热线:18015147885

  箱:56604841@qq.com